Гидрораспределитель MP80-3/1-22 MP80 Hydraulic distributor
![]()
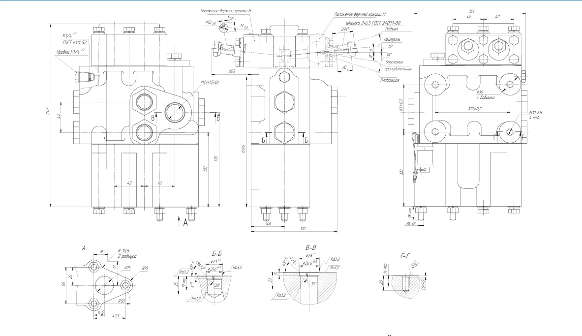
There are two-section and three-section distributors of this series. The most common three-section distributor is the P80-3/1-222, which is usually installed on MTZ and YUMZ tractors. Of the two-section distributors, the most popular is the P80-3/1-22. It is used on T-25 and T-16 tractors. However, these units can also be installed on other equipment.
Most distributors are equipped with spool valves of type "2" and "4". The spool valve of type "2" has an automatic shutdown from the positions: lifting, lowering, fixing. It also has four switching positions: lifting, neutral, lowering, floating. The floating position is used in case of installation of mounted and trailed equipment. The spool valve of type "4" has three positions: lifting, neutral, lowering. It has no fixed positions, and there is no automatic shutdown. Therefore, they are used on equipment that performs loading and unloading operations (tractors, loaders, bulldozers, etc.)
The distributor must be operated with pumps of the NSh 10-3, NSh32-3 or NSh50-3 type. The hydraulic distributor must be placed on the machine no lower than at the level of the upper point of the oil tank.
The designation structure of hydraulic distributors of the P80 type:
P 80 3 / X - XX
P - distributor
80 - nominal flow rate, l/min
3 - pressure code
X - code of operational purpose
XX - codes of spool types
(coding order from the overflow valve)
![]()



![]()
we are a factory.
2.We can provide free sample testing and evaluation.
3.We have the ability to develop new products, we only need you to send us a sample.
4.we can provide perfect after-sales service,and we will make compensation and timely adjustment for defective products.
5.We can reply your inquiry and email within 24hours.


2. Have professional personnel to take over the after-sales project.
3. If it is caused by use, a full set of replacement parts can be sold on request.
A: Engine cooling water pump, Gear pumps, Hydraulic valves, Hydraulic motors, Hydraulic cylinders, Steering gears, Hydraulic accessories.
Q2: Do you accept OEM business?
A: Yes, we accept.
Q3: If products have some quality problem, how would you deal with?
A: Our sales are online 24 hours to provide after-service and solution.
Q4:What's the delivery time ?
A: For stock 3-4days. No stock, 20-40days.
Q5. What is the standard of package?
A: Export standard package or special package according to customer requirement.
Q6. How long your warranty ?
A: one year warranty.
Q7. What's payment term ?
A: T/T, 30% in advance,70% final payment before shipment.
Q8. Can I get a sample?
A: Yes. We can provide samples for you to test and evaluate.
Q9. What are your delivery terms?
A: FOB、EXW、CFR、CIF、FCA、DAP.
Q10. Do you test all goods before delivery?
A: Yes, we test 100% of our goods before delivery.









